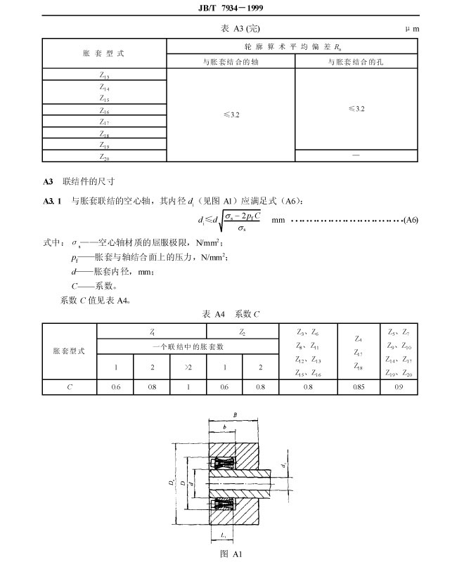
鎮ㄨ闂殑璧勬簮涓嶅瓨鍦紒